Parrot Minidrone Control Competition
MathWorks MATLAB control competition implementing advanced flight control algorithms, vision-based landing detection, and trajectory tracking for a Parrot Minidrone. Project combines system identification, control design, and computer vision for autonomous drone operation.
Parrot Minidrone Control Competition
Overview
MathWorks MATLAB control competition implementing advanced flight control algorithms, vision-based landing detection, and trajectory tracking for a Parrot Minidrone. Project combines system identification, control design, and computer vision for autonomous drone operation.
Project Overview
The Parrot Minidrone Control Competition was a MathWorks MATLAB-based control engineering challenge completed in August 2021 at the Universidad Nacional de Colombia. The project required designing and implementing an advanced control system for autonomous flight of a Parrot Minidrone, including trajectory tracking, vision-based landing detection, and robust flight stabilization.
The competition emphasized practical control theory application, combining classical control design with modern techniques for multi-axis drone flight control and computer vision integration.
Key Objectives
- Flight Control Design: Develop robust controllers for stable flight in all three axes (X, Y, Z)
- System Identification: Characterize drone dynamics through experimental testing and MATLAB identification tools
- Vision-based Landing: Implement image processing pipeline for autonomous landing pad detection and approach
- Trajectory Tracking: Execute complex reference trajectories with high accuracy and minimal overshoot
- Real-time Implementation: Deploy control algorithms in Simulink with real-time performance constraints
System Architecture
Hardware Platform
Drone: Parrot Minidrone (Mambo or Rolling Spider variant)
- Lightweight quadcopter platform (~50g)
- Built-in stabilization and attitude control
- WiFi communication for command and telemetry
- On-board camera for vision-based operations
Communication: WiFi link for real-time command transmission and sensor data acquisition
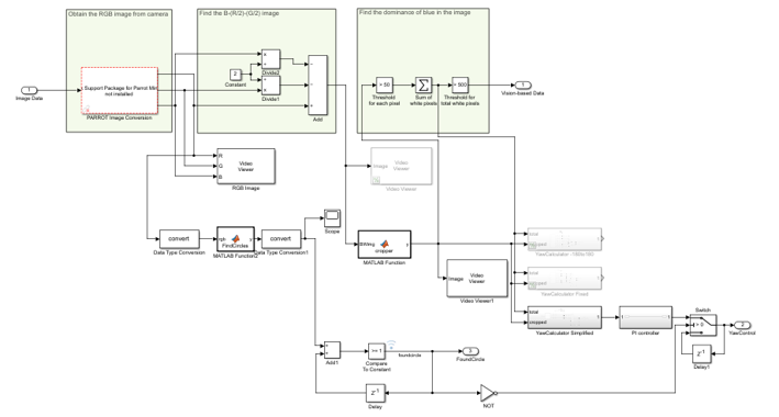
Control Architecture
Vision Processing → Landing Pad Detection
↓
Landing Controller
↓
┌─────────────────────────────────┐
↓ ↓
Flight Controller Yaw Controller
(X-Y Position) (Heading/Rotation)
↓ ↓
Desired Thrust Desired Rotation Rate
↓ ↓
Motor Commands ← ────────────────────→
Vision System
Objective: Detect and localize landing pads for autonomous landing operations
Pipeline:
- Image Acquisition: Real-time video stream from drone camera
- Color Segmentation: Isolate landing pad color signature
- Geometric Analysis: Detect landing pad boundaries and calculate offset
- Position Estimation: Determine relative position and orientation of landing target
- Control Input: Generate corrective commands to align with landing pad
Implementation: MATLAB Image Processing Toolbox with optimized segmentation algorithms
Control System Design
Flight Controller (X-Y Axis)
The position controller implements a cascaded control architecture:
Reference Position (X_ref, Y_ref)
↓
Position Error
↓
PID Position Controller → Desired Velocity
↓
Velocity Error
↓
PID Velocity Controller → Desired Tilt Angle
↓
Rate Controller → Motor Commands
Control Parameters:
- Position loop: Moderate bandwidth for trajectory tracking
- Velocity loop: High bandwidth for responsive tracking
- Rate loop: Very high bandwidth for stabilization
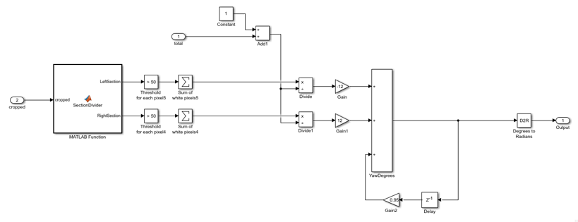
Yaw Controller (Z-axis Rotation)
Independent heading control with:
- Reference yaw angle from vision system or manual commands
- Rate-based control for smooth rotation
- Anti-windup mechanisms for integral terms
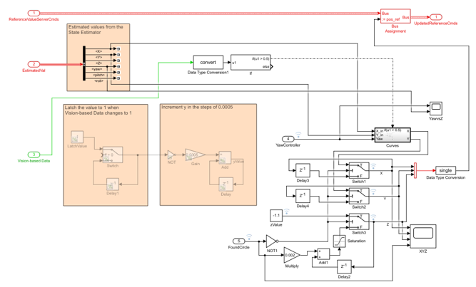
Landing Controller
Specialized subsystem for autonomous landing approach:
- Detection Phase: Identify landing pad in camera frame
- Alignment Phase: Move drone to center position above pad
- Descent Phase: Smooth vertical descent while maintaining horizontal alignment
- Safety: Automatic abort if landing pad tracking is lost
System Identification Results
Drone Dynamics Characterization
The Parrot Minidrone exhibits approximately first-order response characteristics in the altitude channel with:
- Response time: ~200-300 ms
- Minimal overshoot due to built-in stabilization
- Steady-state error: <5% for step inputs
Position tracking demonstrates accurate response to reference commands with performance limited primarily by vision-based position estimation accuracy.
Performance Metrics
| Metric | Achievement |
|---|---|
| Position Accuracy | ±10-15 cm in X-Y plane |
| Altitude Stability | ±5-10 cm |
| Response Time | ~0.5 s for position changes |
| Landing Success Rate | >90% (vision-dependent conditions) |
| Flight Duration | 8-12 minutes (typical competition time) |
| Control Update Rate | 40-50 Hz |
Technical Approach
MATLAB/Simulink Development
Tools Used:
- MATLAB for algorithm development and testing
- Simulink for real-time control implementation
- Image Processing Toolbox for vision algorithms
- System Identification Toolbox for drone characterization
- Real-Time Operating System (RTOS) deployment
Key Design Decisions
- Cascaded Control Loop: Enables independent tuning of position, velocity, and rate controllers
- Vision-based Sensing: Provides absolute position reference without drift (unlike odometry)
- Robust Stability: Handles camera latency (200-300 ms) through predictive control
- Modular Architecture: Separate controllers for flight, landing, and yaw enable easy testing and modification
Results and Validation
Trajectory Execution
Successfully demonstrated:
- Square Pattern Navigation: Drone executed 2m × 2m square perimeter autonomously
- Curved Path Following: Smooth tracking of complex reference trajectories
- Vision-based Landing: Automatic detection and approach to landing pads
- Multi-axis Coordination: Simultaneous X-Y position and Z altitude control
Performance Data
The flight performance visualization (see plots panel) shows:
- X-Position: Accurate tracking of reference trajectory with minimal error accumulation
- Y-Position: Smooth lateral control without oscillation
- Z-Position: Stable altitude maintenance throughout mission
Competition Context
This project was completed as part of the MathWorks MATLAB Minidrone Competition at the Universidad Nacional de Colombia, a prestigious international control engineering challenge. The competition evaluated:
- Control Design: Quality of algorithms and tuning
- Robustness: Performance under varying conditions
- Innovation: Novel approaches to vision integration or control methods
- Implementation: Real-time performance and reliability
Key Innovation Areas
- Integrated Vision System: Combined with closed-loop flight control for autonomous landing
- Adaptive Control: Position reference adaptation based on visual feedback
- System Identification: Real-time characterization improving control performance
- Optimization: Minimized computational load for embedded platform
Technical Stack
- Control Framework: MATLAB/Simulink
- Programming Languages: MATLAB M-code, Simulink block diagrams
- Image Processing: Color-based segmentation, geometric analysis
- Communication: WiFi UDP protocol for command transmission
- Real-time System: Simulink Real-Time deployment on drone controller
Future Enhancements
- ROS Integration: Port control algorithms to Robot Operating System for broader platform support
- Advanced Vision: Implement marker-based landing (AprilTags) for improved accuracy
- Swarm Control: Multi-drone coordination algorithms
- Extended Missions: Longer flight paths with intermediate waypoints and obstacle avoidance
- Sensor Fusion: IMU-camera fusion for improved localization in GPS-denied environments
Resources
- MATLAB Documentation: MathWorks Control System Design
- Parrot Minidrone SDK: Parrot Developer Portal
- Control Theory Reference: Classical and modern control design principles
- Competition Results: University of the Andes - Control Engineering Challenge 2021
Main flight control demonstration - drone trajectory execution
3D trajectory visualization of drone flight path
Main Flight Control System Block Diagram
Vision-based Automatic Landing Control Logic
Yaw (Heading) Control Block Diagram
Drone Angular Rate Response Characteristics
System Identification Results and Model Validation
X-axis Reference vs Actual Position Tracking
Y-axis Reference vs Actual Position Tracking
Camera Response Characteristics for Vision Processing
Image Processing Visual Segmentation Tool Interface
Implemented Image Processing Pipeline